珀金斯卡特彼勒柴油機配件銷售K645AF03噴油器、2643 H080燃油泵T4.20
項目 零配件號碼 最近的部分號碼
1 K645AF03 4 K645AF03 噴油器
(1) K645AF03R 4 K645AF03R 噴油器 -交換

項目 零配件號碼 最近的部分號碼
2 K645AF31 1 K645AF31 夾持工具
11 K645AF72 1 K645AF72 噴油器噴嘴
Item Parts No. Qty. Latest Part No. Description Cut Out Cut In Comment
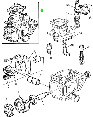
3 1 BODY
4 1 ADAPTOR
5 26430819 1 26430819 WASHER
6 26431164A 1 26431164A SHIM
6 26431164B 1 26431164B SHIM
6 26431164C 1 26431164C SHIM
6 26431164D 1 26431164D SHIM
6 26431164E 1 26431164E SHIM
6 26431164F 1 26431164F SHIM
6 26431164G 1 26431164G SHIM
6 26431164GR 1 26431164GR SHIM
6 26431164GS 1 26431164GS SHIM
6 26431164GT 1 26431164GT SHIM
6 26431164GU 1 26431164GU SHIM
6 26431164GV 1 26431164GV SHIM
6 26431164H 1 26431164H SHIM
6 26431164J 1 26431164J SHIM
6 26431164K 1 26431164K SHIM
6 26431164L 1 26431164L SHIM
6 26431164M 1 26431164M SHIM
6 26431164N 1 26431164N SHIM
6 26431164P 1 26431164P SHIM
7 26431823 1 26431823 SPRING
8 26431824 1 26431824 SEAT
9 1 PLATE
10 26431830 1 26431830 NUT

項目 零配件號碼 最近的部分號碼
1 2643 H080 1 2643 H080 燃料噴射泵
3 1 螺旋
4 1 螺旋
5 L114XF02 1 L114XF02 滑車
6 K318AF01 1 K318AF01 螺帽
7 K134AF01 1 K134AF01 墊圈
8 L826CF01 1 L826CF01 托架
9 L312DF02 2 L312DF02 合釘
10 2314 J008 4 2314 J008 螺旋
11 L821EF02 1 L821EF02 托架
12 2314 H002 2 2314 H002 螺旋
13 2314 H002 2 2314 H002 螺旋
14 2313 C059 3 2313 C059 圖釘
15 2318 A603 3 2318 A603 螺帽
16 K646CF28 1 K646CF28 燃料噴射管 U691520A 號碼1 CYL。
17 3521 K137 1 3521 K137 燃料噴射管 U691521A 號碼1 CYL。
18 K646CF27 1 K646CF27 燃料噴射管 U691520A 號碼2 CYL。
19 3521 K138 1 3521 K138 燃料噴射管 U691521A 號碼2 CYL。
20 K646CF26 1 K646CF26 燃料噴射管 U691520A 號碼3 CYL。
21 3521 K139 1 3521 K139 燃料噴射管 U691521A 號碼3 CYL。
22 K646CF25 1 K646CF25 燃料噴射管 U691520A 號碼4 CYL。
23 3521 K141 1 3521 K141 燃料噴射管 U691521A 號碼4 CYL。
24 K646EF03 1 K646EF03 夾
25 K646EF41 1 K646EF41 螺旋
26 K646EF02 1 K646EF02 夾
27 K646EF41 1 K646EF41 螺旋
28 K645AF03 4 K645AF03 噴油器
(28) K645AF03R 4 K645AF03R 噴油器 -交換
31 L811AF01 4 L811AF01 圈
32 L311FF02 4 L311FF02 噴油器墊圈
33 M141AF03 4 M141AF03 砂箱夾
34 L313EF01 4 L313EF01 間隔器
35 3558 X034 1 3558 X034 管 - 漏走開
36 3558 X035 1 3558 X035 管 - 漏走開
37 2483 A008 1 2483 A008 燃料管
38 0976042 1 0976042 TEEPIECE
39 33225412 3 33225412 接合螺帽
40 33225412 2 33225412 接合螺帽
41 33811112 3 33811112 橄欖
42 33811112 2 33811112 橄欖
43 0095315 4 0095315 班卓琴螺拴
44 0921176 4 0921176 墊圈
45 0921176 4 0921176 墊圈
46 2487 D002 1 2487 D002 帽 U684953C
46 31718104 2 31718104 密封 U684952C
47 2487 D102 1 2487 D101 帽 U684953C
47 32451152 2 32451152 金屬線 U684952C
48 2487 A016 1 2487 A016 栓塞
Item Parts No. Qty. Latest Part No. Description Cut Out Cut In Comment
2 26439104 2 26439104 SOLENOID

Item Parts No. Qty. Latest Part No. Description Cut Out Cut In Comment
1 3584P001 1 3584P001 AIR PIPE
7 0206002 1 0206002 UNION
8 0576111 1 0576111 NUT
9 0566002 1 0566002 OLIVE
10 3423A008 1 3423A008 AIR PIPE
11 0576111 1 0576111 NUT
12 0566002 1 0566002 OLIVE
13 0206102 1 0206102 UNION
14 32184234 1 32184234 BOLT
15 0921176 1 0921176 WASHER
16 0921176 1 0921176 WASHER
Item Parts No. Qty. Latest Part No. Description Cut Out Cut In Comment
2 1 PIPE
3 2441821 1 2441821 NUT
4 2441841 1 2441841 OLIVE
5 K445AF01 1 K445AF01 INSERT
6 K441AF01 1 K441AF01 CONNECTION

項目 零配件號碼 最近的部分號碼
1 2643 H056 1 2643 H080 燃料噴射泵

項目 零配件號碼 最近的部分號碼
2 26439039 1 26439039 圈
3 26439044 1 26439044 閥
4 26439047 1 26439047 彈簧
5 26439054 1 26439054 轉子
6 26439059 1 26439059 圈
7 26439063 1 26439063 橋
8 26439068 1 26439068 閥
9 26439073 1 26439073 正時箱裝置
10 26439078 1 26439078 橋
11 26439101 1 26439101 栓塞
15 26439104 2 26439104 電磁線圈

項目 零配件號碼 最近的部分號碼
1 26439035 1 26439035 修理裝備 - 燃料的 INJ 泵
